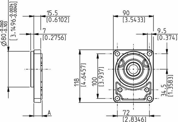
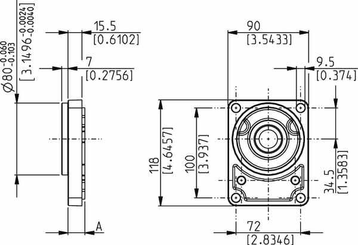
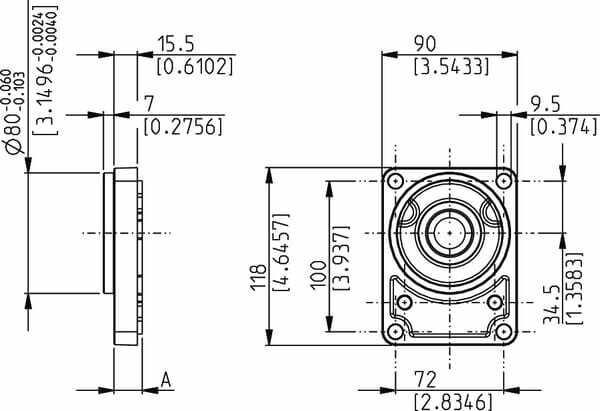
Bride pour PLP20/B2-alu
Réf :
PLP920B2
Marque non renseignée
Vendu et expédié par :
Code de la bride : B2
Adapté au groupe de pompes : 2
Disponibilité
Expédition sous 10 jours
Retrait en magasin
Livraison à domicile
Nos marques