CATALOGUE EN COURS
📣 placedespros.com
🇬🇸

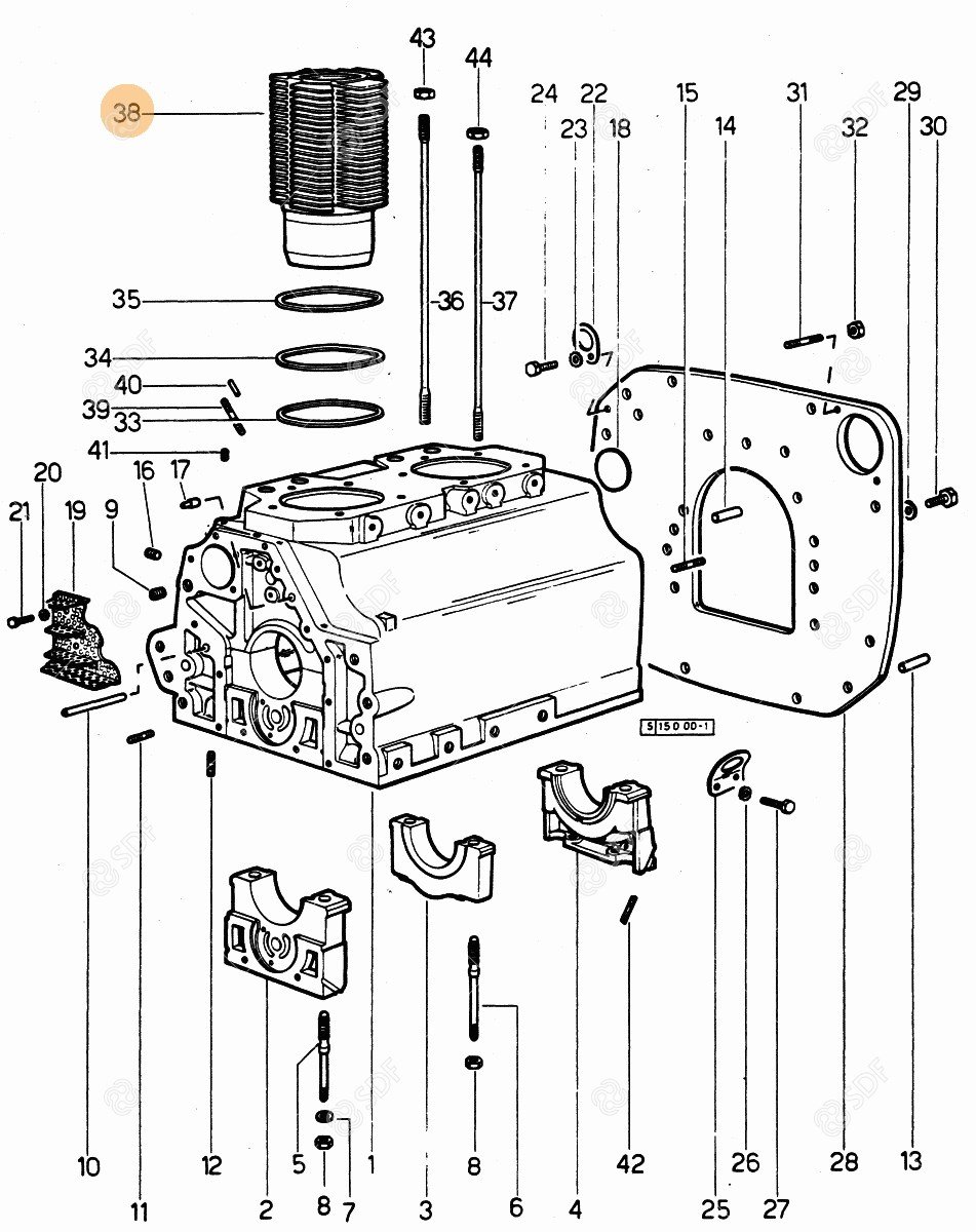
CYLINDRE MOTEUR

Réf : 0.029.1120.0

Caractéristiques :

Désignation précise
  • cylindre d'un moteur
Type de pièce
  • origine
Vendu et expédié par :
Disponibilité
Expédition sous 10 jours
Retrait en magasin
Livraison à domicile
Picto livraison

Livraison rapide

Picto paiement Paiement
sécurisé
Nos partenaires
Ce site Internet utilise des cookies.

Les cookies utilisés ont pour but d’optimiser votre consultation et utilisation de ce site
Internet, et permettre à notre société de réaliser des mesures d’audience des connexions à ce
dernier au moyen de statistiques internes anonymes et ce, en vue de l’optimisation de son
fonctionnement.

Pour en savoir plus, vous pouvez cliquer sur l’onglet « Paramétrer » ci-dessous et/ou consulter
En savoir +
Tout accepter
Tout refuser
Personnaliser