Moteur KM40.109R0-85E5-LEG/ED
Réf :
KM40109R085E5
Marque non renseignée
Vendu et expédié par :
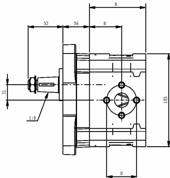
A : 125 mm
B : 63 mm
Center to center pressure side : 51 mm
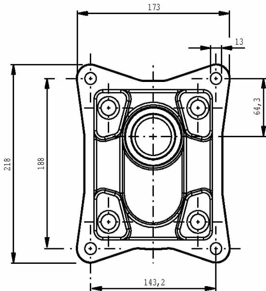
Raccordement : European 4-hole flange dB(A)
D : 72 mm
Matériau : Pump housing, flange and back cover: Steel
Pression max. : Pressure continuous (p1): 300 bar
Rotation max. : 2800 r/min
Vitesse de rotation min. : 300 r/min
P1 (bar) : 250 bar
Bride de pression : 3 G-16
Joint : Order no.: KM94085E5R
Cylindrée : 108,9 cm³/rev
Bride d'aspiration : 4-G-24
Particularités : - Haute pression de service : - Haute efficacité à hautes températures - Conception solide et compacte
Domaine d'application : - Applications mobiles - Applications industrielles
Caractéristiques : - Faibles émissions sonores - Version spécifique au client possible
Avantages : - Grande longévité. - Grand domaine d'application - Faible encombrement
Disponibilité
Expédition sous 10 jours
Retrait en magasin
Livraison à domicile
Nos marques