Soupape de surpression FPM D 70 CB P 1/2 20
Réf :
FPMD70CBP1220
Marque non renseignée
Vendu et expédié par :
Débit max. : 80 l/min
Pression de service maximale : 210 bar
Réglage de la pression standard : 250 bar
Type de raccord : Filetage
Type de filetage du raccord : Inch
Diamètre de filetage du raccord : 1/2 Inch
Type de raccord n°2 : Filetage
Matériau du boîtier : Aluminium
Type : Valve d’échappement
Longueur de boîtier : 60 mm
Largeur de boîtier : 40 mm
Hauteur du boîtier : 68 mm
Longueur de la cartouche : 54,5 mm
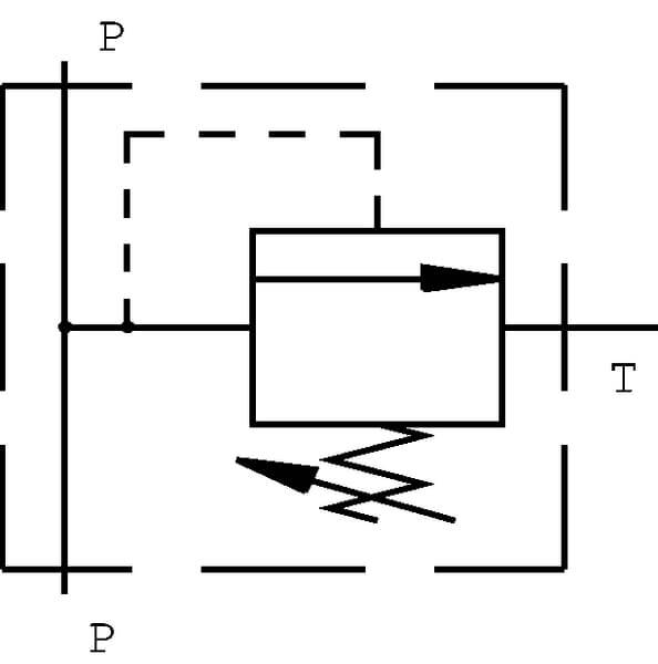
Domaine d'application : - Pour un montage entre les conduites - Pression élevée et débit volumétrique moyen à élevé - Pour utiliser comme fusible pompe
Caractéristiques : - Version : soupape chargée par ressort, commande directe - S'ouvre de P vers T - Commutation intermittente, réaction rapide
Disponibilité
Expédition sous 10 jours
Retrait en magasin
Livraison à domicile
Nos marques