Vanne d'équilibrage LS PVFC
Réf :
158H805500
Marque non renseignée
Vendu et expédié par :
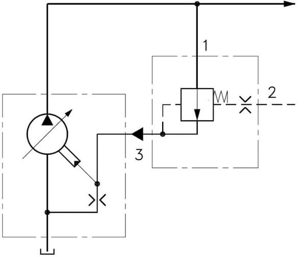
Le PVFC est principalement utilisé comme soupape de décharge de pression contrôlée par LS, mais fonctionne également comme amplificateur LS lorsque des problèmes de contrôle de détection de charge surviennent avec des vannes PVG en combinaison avec des pompes LS.
Diamètre de filetage du raccord : 1/4 Inch
Référence d'origine : 158H805500
Détails du produit : - Amplificateur LS - Compensateur de pression LS - Maintient une pression LS constante au niveau de la pompe, quelle que soit la perte de pression dans la ligne (LS) - Fonctionne également comme une soupape de surpression LS - Installé en ligne avec la ligne LS
Disponibilité
Expédition sous 10 jours
Retrait en magasin
Livraison à domicile
Nos marques